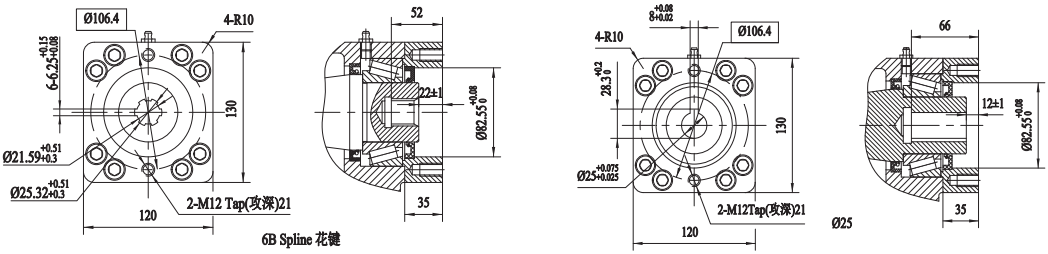
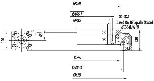
WEA21
发布时间:2021/02/01 WEA系列 浏览次数:2784
| 项目/Item WEA21 | 数值 Value | 单位 Unit |
| 输出转矩/Output Torque | 28.7 | kN.m |
| 倾覆力矩/Tilting Moment Torque | 203 | kN.m |
| 保持力矩/Holding Torque | 105.8 | kN.m |
| 轴向静载荷/Static Axial Rating | 1598 | kN |
| 径向静载荷/Static Radial Rating | 640 | kN |
| 轴向动载荷/Dynamic Axial Rating | 385 | kN |
| 径向动载荷/Dynamic Radial Rating | 335 | kN |
| 减速比/Gear Ratio | 90:1 | — |
| 精度等级/Tracking Precision | ≤0.1 | ° |
| 重量/Weight | 172 | kg |
相关推荐
获取方案报价







