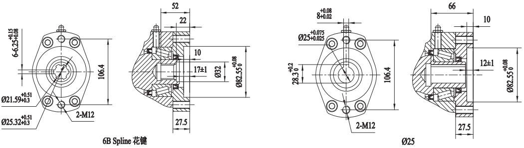
SE14/PE14
发布时间:2021/02/01 SE/PE系列 浏览次数:2715
| 项目/Item SE14&PE14 | 数值 Value | 单位 Unit |
| 输出转矩/Output Torque | 8 | kN.m |
| 倾覆力矩/Tilting Moment Torque | 67.8 | kN.m |
| 保持力矩/Holding Torque | 48 | kN.m |
| 轴向静载荷/Static Axial Rating | 555 | kN |
| 径向静载荷/Static Radial Rating | 222 | kN |
| 轴向动载荷/Dynamic Axial Rating | 133 | kN |
| 径向动载荷/Dynamic Radial Rating | 117 | kN |
| 减速比/Gear Ratio | 85:1 | — |
| 精度等级/Tracking Precision | ≤0.17 ≤0.05/0.07 | ° |
| 重量/Weight | 64 | kg |
相关推荐
获取方案报价







