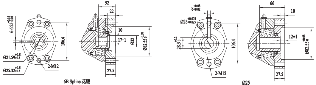
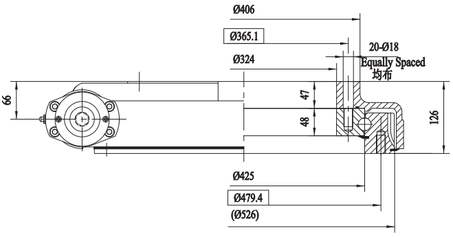
SE17/PE17
发布时间:2021/02/01 SE/PE系列 浏览次数:2824
| 项目/Item SE17&PE17 | 数值 Value | 单位 Unit |
| 输出转矩/Output Torque | 10 | kN.m |
| 倾覆力矩/Tilting Moment Torque | 135.6 | kN.m |
| 保持力矩/Holding Torque | 72.3 | kN.m |
| 轴向静载荷/Static Axial Rating | 970 | kN |
| 径向静载荷/Static Radial Rating | 390 | kN |
| 轴向动载荷/Dynamic Axial Rating | 235 | kN |
| 径向动载荷/Dynamic Radial Rating | 205 | kN |
| 减速比/Gear Ratio | 102:1 | — |
| 精度等级/Tracking Precision | ≤0.15 ≤0.05/0.07 | ° |
| 重量/Weight | 105 | kg |
相关推荐
获取方案报价







